國標液冷充電槍規格書
(GB20234.3-2015 Standard liquid cooled charging gun system)
Luoyang zhengqi machinery co.ltd
June 2019
1. Introduction
New energy electric vehicles have no exhaust emissions, environmental protection, alternative fuel cars are an inevitable trend. At present, the two main factors affecting the development of new energy electric vehicles are: battery range and charging time. With the development of power batteries and continuous breakthroughs in technology, the range of new-energy electric vehicles has been increased from 150km to 400km, and the problem of short range has been basically solved. However, the problem of charging time has not been solved.
At present, the standard dry integrated cable diameter of gb20234.3-2015 standard charging gun is less than 40mm, the cross-sectional area of the soft conductor DC+ and DC- is 70mm2, and its nominal maximum current capacity is 250A. The fact is that the current index carrying 250A cannot be reached. According to the feedback from the market, the safe current carrying capacity in the actual use is 180A. Since the heat generated by the soft wire of the dry cable during charging cannot dissipate well, it cannot carry large current. If the current of 200A is carried continuously, the temperature will be too high, which will cause the high temperature alarm of the charging pile control system to fail to work normally.
If we want to promote and develop new energy electric vehicles, we must solve the problem of rapid charging. To solve the problem of quick charging, it is necessary to use high power dc charging pile. At present, the domestic design of high-power dc charging pile, its power between 300kw and 500kw, output dc current between 300kw and 500A. High power dc charging pile is composed of power supply, charging gun, liquid cooling cable connecting charging pile power supply and charging gun.
High power dc charging pile is equipped with liquid cooling cable. It is an integrated cable with an outside diameter of 39mm, which conforms to human body engineering and is convenient to use. It contains one liquid-cooled cable DC+ and DC-, as well as several signal lines. The structure of DC+ and dc-liquid-cooled cables is the same. One end of the cables is an electrode, which is connected to the high-power DC charging pile power supply. The other end is the terminal of the liquid-cooled charging gun. The internal terminal of DC+ and DC- of the liquid-cooled charging gun is a cavity structure, which is sealed and connected with the liquid-cooled cable.
The coolant is 45# transformer oil. It will not freeze at minus 45℃, its ignition point is 146℃, insulation, heat conduction effect is good. Inside the liquid-cooled cable, through the circulating cooling fluid, coolant through the surface of the cable conductor software, directly to the charging gun DC +, DC - terminal at the bottom of the cavity, the charging gun DC + software, the terminal of the DC - and cools cable conductor for cooling, take charge of circulating coolant gun DC + software, the terminal of the DC - and cools cable wire heat produced in the process of charging, cooling fluid return to recycle cooling system after cooling. Ensure that the terminals of the charging gun DC+, DC- and the soft wire of the liquid-cooled cable work safely and reliably during the charging process, without causing accidents due to excessive temperature.
Liquid-cooled cable charging gun system, based on GB20234.3-2015 standard, on the basis of the gun, charging cable adopts the technology of the surface after cooling, the charging current by nominal 250 a, can actually the ascent to 500 a, and can be safety to work for a long time, its performance, can effectively shorten the charging time, solve the problem of new energy electric vehicle charging time long.
2. High-power national standard liquid-cooled charging system
2.1 composition of high-power national standard liquid-cooled charging system
The composition of high-power liquid-cooled charging system is shown in the following table:
List of composition of high power liquid-cooled charging system
System name system composition notes
High power liquid cooled charging system liquid cooled charging gun conforms to gb20234.3-2015
Liquid-cooled cable matches gb20234.3-2015 charging gun
Liquid cooled source oil pump
The fuel tank
The radiator
Cooling fluid 45# transformer oil (-45 ° will not freeze)
2.2 performance indexes of high-power national standard liquid cooling system
Serial number performance index parameter value
1 electrical
1.1 rated voltage 1000V DC
1.2 rated current 400A
1.3 rated power 400KW
1.4 withstand voltage 3000V AC, between power hole position and signal hole position
Between 500V AC signal holes
1.5 500 m Ω insulation resistance (500 v DC)
2 mechanical properties
2.1 mechanical life of 10,000 times
2.2 locking force 200N
3 environmental performance
3.1 the ambient temperature is -30 ~ 50℃
3.2 operating temperature -30 ~ 90℃
3.3 surface temperature contact parts ≤90℃ (actual test ≤55℃)
Holding position ≤55℃
3.4 protection level plug and dust cover: IP54
Plug and socket: IP55
Liquid cooled cable
4.1 the maximum length is 10m
4.2 outer diameter of cable 39mm
4.3 power line specification: 35mm squared
5 cooling circuit
5.1 coolant 45# transformer oil (no icing at minus 45℃)
5.2 into the liquid/diameter 8 / ф ф 6 pipe diameter
5.3 into the liquid/diameter 8 / ф ф 6 pipe diameter
5.4 the electrode (terminal) connected with the power supply of the charging pile has two structures for users to choose from. Special liquid cooling terminal
5.5 each special liquid cooling terminal of the cooling circuit is provided with an inlet port and an outlet port at the same time. DC+ and DC- constitute separate cooling circuit without interference
The 6 cools the source
6.1 rated voltage 220V AC
6.2 rated power: 550W
6.3 working pressure: 10bar
6.4 traffic 8 l/min
6.5 cooling fan power: 90W
6.6 noise ≤60 db
6.7 functional coolant pressure monitoring, coolant flow monitoring, coolant temperature monitoring; Low pressure alarm, over voltage alarm, cut-off alarm, coolant temperature is too high alarm
6.8 size (length * width * height) 550mm*200mm*600mm
6.9 communication interface with charging pile RS485
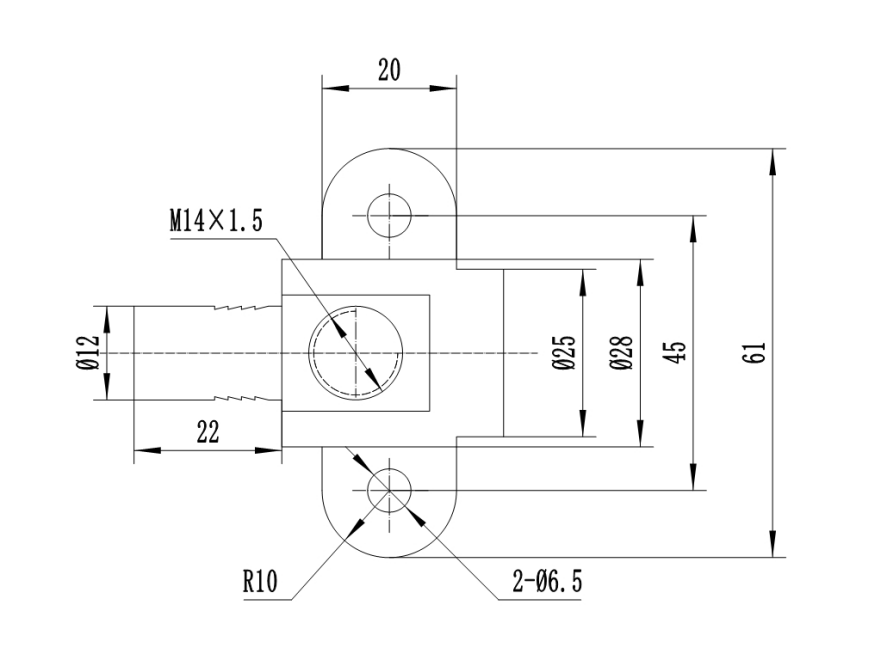
The special liquid-cooled electrode (terminal) connected with the power supply of the charging pile has two structures for users to choose:
NO1

NO2:

Contact: ChongQing Zang
Phone: 13938896088
Tel: (0379) 62267825
Email: zhengqijixie@126.com
Add: Shuikou Village North, Mangshan Town, Laocheng District, Luoyang City